A U-bolt is a U-shaped bent iron bar with pipe bolts and threads at both ends. U-bolts are primarily used to support pipelines
transporting fluids and gases. Therefore, the dimensions of U-bolts are usually
expressed in piping engineering terminology, specifically the nominal inside
diameter, which refers to the inner diameter of the pipe it supports.
U-bolts can also be used in a variety of
other applications, especially in building construction. U-bolts are
particularly useful in vertical applications, such as clamping timber or sheet
metal to columns. Square U-bolts can be used to clamp square or rectangular
sections.

|
Nominal Pipe Size |
Thread Size |
Between Centres |
Depth of U |
Thread Length |
|
1/2" |
M6 |
28mm |
48mm |
30mm |
|
3/4" |
M6 |
34mm |
53mm |
30mm |
|
1" |
M6 |
41mm |
60mm |
30mm |
|
1.1/4" |
M10 |
54mm |
67mm |
30mm |
|
1.1/2" |
M10 |
60mm |
85mm |
35mm |
|
2" |
M10 |
75mm |
95mm |
35mm |
|
2.1/2" |
M12 |
90mm |
124mm |
55mm |
|
3" |
M12 |
102mm |
126mm |
50mm |
|
4" |
M12 |
131mm |
144.5mm |
50mm |
|
5" |
M12 |
156mm |
182mm |
50mm |
|
6" |
M12 |
182mm |
210mm |
50mm |
|
8" |
M16 |
240mm |
252mm |
50mm |
|
10" |
M16 |
292mm |
318mm |
50mm |
|
12" |
M16 |
343mm |
363.6mm |
50mm |
|
Nominal Pipe Size |
Thread Size |
Between Centres |
Depth of U |
Thread Length |
|
1/2" |
M6 |
27mm |
97mm |
75mm |
|
3/4" |
M6 |
33mm |
103mm |
75mm |
|
1" |
M6 |
40mm |
111mm |
75mm |
|
1.1/4" |
M10 |
55mm |
122mm |
85mm |
|
1.1/2" |
M10 |
61mm |
127mm |
85mm |
|
2" |
M10 |
70mm |
140mm |
85mm |
|
2.1/2" |
M10 |
86mm |
152mm |
85mm |
|
3" |
M12 |
102mm |
168mm |
90mm |
|
4" |
M12 |
126mm |
193mm |
90mm |
|
5" |
M12 |
152mm |
213mm |
90mm |
|
6" |
M12 |
182mm |
240mm |
90mm |
|
8" |
M16 |
241mm |
298mm |
95mm |
|
10" |
M16 |
293mm |
349mm |
95mm |
|
12" |
M16 |
343mm |
387mm |
95mm |
|
Nominal Pipe Size |
Thread Size |
Between Centres |
Depth of U |
Thread Length |
|
1/2" |
M8 |
30mm |
46mm |
25mm |
|
3/4" |
M8 |
35mm |
56mm |
25mm |
|
1" |
M8 |
45mm |
61mm |
25mm |
|
1.1/4" |
M8 |
55mm |
71mm |
25mm |
|
1.1/2" |
M10 |
60mm |
85mm |
35mm |
|
2" |
M10 |
75mm |
95mm |
35mm |
|
2.1/2" |
M12 |
90mm |
124mm |
45mm |
|
3" |
M16 |
105mm |
142mm |
50mm |
|
4" |
M16 |
135mm |
167mm |
50mm |
|
5" |
M16 |
160mm |
192mm |
50mm |
|
6" |
M20 |
190mm |
225mm |
55mm |
|
7" |
M20 |
215mm |
250mm |
55mm |
|
8" |
M20 |
245mm |
285mm |
55mm |
|
9" |
M20 |
270mm |
300mm |
55mm |
|
10" |
M20 |
300mm |
340mm |
60mm |
|
12" |
M20 |
350mm |
390mm |
60mm |
|
14" |
M24 |
385mm |
428mm |
65mm |
|
16" |
M24 |
435mm |
488mm |
65mm |
|
18" |
M24 |
485mm |
528mm |
70mm |
|
20" |
M24 |
540mm |
588mm |
70mm |
|
22" |
M24 |
590mm |
638mm |
70mm |
|
24" |
M24 |
640mm |
688mm |
70mm |

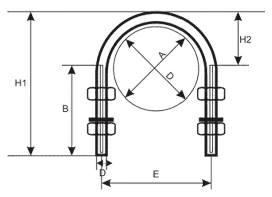
A
D= Nominal of Tube
D= Effective of Tube
H1
H2
B
Thread
E
Weights in KG
MM
INCH
METRIC
INCH
METRIC
FORM A
FORM B
30
3/4
20
26/9
25
70
28
40
10
40
94
68
38
1
25
33/7
30
76
31
40
10
48
105
77
46
1 1/4
32
42/4
38
86
37
50
10
56
120
90
52
1 1/2
40
48/4
44/5
92
40
50
10
62
129
97
64
2
50
60/3
57
109
49
50
12
76
222
168
82
2 1/2
65
76/1
76/1
125
57
50
12
94
259
198
94
3
80
88/9
88/9
138
66
50
12
106
288
224
120
4
100
114/3
108
171
60
16
136
640
148
5
125
139/7
133
191
60
16
164
727
176
6
150
168/3
159
217
60
16
192
834
202
7
175
193/7
191
249
60
16
218
958
228
8
200
219/1
216
283
70
20
248
1698
282
10
250
273
267
334
70
20
302
2028
332
12
300
323/9
318
385
70
20
352
2350
378
14
350
368
355/6
435
70
24
402
3820
428
18
400
419
406/4
487
40
24
452
4290
530
500
521
508
589
70
24
554
5220
D
PER 1000 P.
(without nut & washers)
IN MM
IN MM
1. Plumbing Systems
U-bolts secure pipes to walls or other
structures, preventing movement and vibration.
2. Automotive
In vehicles, U-bolts are used to connect
axles to leaf springs and other components.
3. Construction
U-bolts are used in construction to secure structural members such as beams and columns.